堆焊層中不同部位不同性質的缺陷危害不同,使用狀況上千差萬別,既有用于高溫、高壓和含有氫介質的場合,也有僅用于只有防腐蝕要求的低壓容器上,因此,應根據設計使用要求、檢驗目的選擇合適的檢測方法,通常是下列一種或幾種檢測方法的組合:
一.堆焊層內缺陷和層下再熱裂紋的檢測
堆焊層內缺陷主要有氣孔、夾雜等,因此,一般采用縱波雙晶直探頭從堆焊層側或母材側(母材較?。┻M行檢測,或者使用縱波單晶直探頭從母材側進行檢測??v波雙晶斜探頭或雙晶爬波探頭也可以用來從堆焊層側檢測堆焊層內缺陷或層下再熱裂紋。
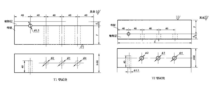
所用對比試塊應采用與被檢工件材質相同或聲學性能相似的材料制作,并采用相同的焊接工藝制成。其母材、熔合面或堆焊層中均不得有大于Φ2mm平底孔當量直徑的缺陷存在。試塊的堆焊層的表面狀態應與工件堆焊層的表面狀態相同。
采用縱波雙晶直探頭從堆焊層側檢測時,可用下圖所示T1型試塊來調整檢測靈敏度。將探頭放在試塊的堆焊層表面上,移動探頭,使其從Φ3mm平底孔獲得最大波幅。調節衰減器(增益旋鈕)使波幅達到滿幅度的80%,作為基準靈敏度。這時,母材厚度至少為堆焊層厚度的兩倍。
采用縱波雙晶斜探頭從堆焊層側檢驗堆焊層內缺陷或堆焊層層下再熱裂紋時,靈敏度的校準過程如下:將探頭放置于T1型試塊的堆焊層表面上,移動探頭找到Φ1.5mm橫孔最大回波,調至滿屏80%波高,以此作為檢測基準靈敏度??v波雙晶斜探頭檢測堆焊層時,推薦使用K=2.75并且探頭焦點深度位于堆焊層和母材的結合部位,以保證在焦點區域具有較高的靈敏度和信噪比。
單晶直探頭從母材側檢測堆焊層內缺陷時,可用下圖所示T2試塊來調節檢測靈敏度。將探頭放在母材一側,使Φ3mm平底孔最大波幅為滿屏的80%,作為基準檢測靈敏度。對比試塊的母材厚度T與被檢驗工件的母材的厚度差不得超過10%。
采用縱波斜探頭從母材側檢測堆焊層和堆焊層下再熱裂紋時,利用T2試塊來調節檢測靈敏度。將探頭放置在母材一側,移動探頭找到Φ1.5mm橫孔最大回波,調至滿屏80%波高,以此作為檢測基準靈敏度。
二.堆焊層與基板間未熔合的檢測
對于此種缺陷,一般使用雙晶直探頭從堆焊層側進行檢測或使用單晶直探頭從母材側進行檢測。一般選用一種方法即可。如對于一種方法檢測的結果有懷疑,也可使用另外一種方法進行補充檢測進行驗證。檢測時可采用如下T3試塊進行靈敏度的調整。使用單直探頭從母材側進行檢測時,采用T3a型試塊,將探頭放在對比試塊母材一側找到Φ10mm平底孔最大回波,將回波調至滿屏的80%作為基準靈敏度。對比試塊的母材厚度T與被檢驗工件的母材的厚度差不得超過10%。
雙晶直探頭從堆焊層側對工件進行檢測時,采用T3b型試塊,將探頭放在對比試塊堆焊層一側找到Φ10mm平底孔最大回波,將回波調至滿屏的80%作為基準靈敏度。對比試塊的母材厚度至少應為堆焊層厚度的兩倍。


此外,進行堆焊層超聲檢測應注意以下事項:
(1)采用雙晶直探頭檢測時應垂直于堆焊層進行掃查,探頭的隔聲層應平行于堆焊層方向。
(2)如果堆焊層的表面狀況不具備掃查條件,應考慮從母材側進行掃查。
(3)掃查靈敏度應在基準靈敏度的基礎上提高6dB, 缺陷尺寸采用6dB法進行確定。
供稿:山東誠之檢無損檢測技術有限公司
無損檢測技術服務部 顏工
